一体化全自动净水设备是综合高效率净水设备。它将反应、沉淀、过滤三个处理单元集合于一体,并配有筒单富混的zhuanli管道混合器。一经调试投入运行后就很少要人管理。系统坚固耐用、运行安全可靠.被称为“傻瓜式”净水器。特别是在当今水处理设施建设速度快.专业技术人员缺乏的情况下.为普及水处理技术提供了良好的设备。
一、详细资料:
一体化全自动净水设备集混合反应、絮凝沉淀、过滤出水为一体,通过设备自身的特殊装置结合电气控制自动完成加药、配水、排污泥、反冲、排污等运行程序。全自动净水器自动化运行,无需人员操作,避免了人为操作造成的水质不稳定,使处理后的水质优良稳定。
一体化净水器特别适用于工矿企业的给水处理和中、小型自来水厂的自动化管理。全自动净水器是实现水厂自动化管理的重要单元,无需人员操作、全自动运行的一体化净水器装置,配合自动加药装置及消毒设备,即可成为一个具有全套功能的净水站(厂)。

二、设备优点
一体化全自动净水设备,具有净水效果好、范围广、节能、占地小、耗水量少,节水、节电、节人工的优点。
1、运行管理方便——全自动净水器自动化程度高,值班人员只需定时作水质监测工作,无需操作管理。
2、混凝澄清和过滤工艺巧妙地有机组合成一体化,具有自集水系统和自动反冲洗功能,无需另设反冲洗水泵和空压机,既节省基建投资又节省水源。
3、节能——具有较小的进水能耗和节约冲洗水量。
4、高效——混凝澄清和过滤净水效果显著,滤层冲洗快速干净。
5、工程基建量小、投产快,易组合配套,适合建造中小型自来水厂。
三、技术参数
全自动九游官方首页
1、适用原水浊度: ≤3000mg/L
2、适用原水温度:常温
3、净水出水浊度: ≤3mg/L
4、沉淀区设计表面负荷: 7——8m3/h.m2
5、过滤区设计滤速:7——10m/h
6、滤池冲洗强度:14——16+-L/S.M2
7、冲洗历时:t=4——6min

四、适用范围
一体化全自动净水设备
1、水浊度小于3000mg/L的各类江、河、湖、水库等为水源的农村、城镇、工矿企业的水厂,可作为主要的净水处理装置。
2、对于低温、低浊、有季节性藻类的湖泊水源,全自动净水器有其特殊的适应能力。
3、可用于高纯水、饮料工业用水、锅炉用水等作前置水处理的预处理设备。
4、用于各类工业循环水系统,全自动净水器可有效而大幅度地提高循环用水水质。
5、用于中水回用系统,以污水厂污水处理后的出水为水源,净化后回用水的处理设备。
五、设备用途
一体化全自动净水设备为全水力自动化专业除浊设备广泛适用干城市农村生活饮用水工业用水及废水去除浊度等中小型净水厂(站)。不同设备可将原水浊度从5000mg/L降到1mg/L。
1、用于城镇工r企业和农村等制取生活饮用水的中小型水厂(站).
2、用于石油矿井矿山;自金电力纺织医药轻工机械制造等行业制取生产用水废水回用废水处理迭标排放等净水厂(站).
3、用于膜处理锅炉软化水纯水高纯水及食品工业用水等预处理厂(站)
4、用于各种服务行业商业及其它单位自备净水设施。
5、在设备内增加曝气或气浮设施分别可以去除铁锰擞污染油粪或难以沉淀的轻质物质等。
六、主要技术特性
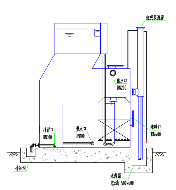
1、一体化净水器,上层为节能新型水力——澄清——整流装置——斜板澄清器,下层均质石英砂滤料滤池。
2、十分节能——具有较小的进水能耗和节约冲洗水量。
3、高效——混凝澄清和过滤净水效果显著滤层冲洗快速干净。
4、构造合理——混凝澄清和过滤工艺巧妙地立体有机组合一体。
5、运行管理方便——FA型全自动一体化净水器运行为自动程序操作或手动。
七、自行运行操作程序
1、打开进水阀。
2、当过滤层积污到一定程度,全自动净水器自动进行反冲洗,历时约4——6分钟。
3、一体化净水器的排泥为定时自动排泥。
一体化全自动净水设备是我公司自主开发.综合研制的高效率净水设备。它将反应、沉淀、过滤三个处理单元集合于一体,并配有筒单富混的管道混合器。一经调试投入运行后就很少要人管理。系统坚固耐用、运行安全可靠.被称为“傻瓜式”净水器。特别是在当今水处理设施建设速度快.专业技术人员缺乏的情况下.为普及水处理技术提供了良好的设备。